Schaltgeräte für Schaltnetzteile in Industrienetzen bis DC 400 V / 800 V

Ein externer Überstromschutz sowie die Möglichkeit des Freischaltens auf der Eingangsseite sind ebenso wichtig wie der Schutz der Ausgangsseite. Einschaltströme, sogenannte „inrush currents“, treten im Fall des Zuschaltens der Schaltnetzteilen trotz aktiver Strombegrenzung auf. Im folgenden Beitrag erläutern wir, mit welchen E-T-A Schutzschaltern solche Produkte in AC und DC sicher betrieben und selektiv geschützt werden können.

DC 110 V – 100 A
DC 220 V – 100 A
DC 400 V – 100 A
DC 400 V / 800 V - 100 A
AC 230 V - 100 A
AC 230 V/400 V - 100 A

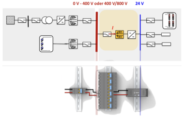
1.1 Beschaltung in industriellen DC-Netzen 400 V / 800 V
Umrichter, wie beispielsweise DC/DC-Wandler, verfügen über kapazitive Zwischenkreisspeicher. Das Schalten solcher Geräte in DC-Systemen erfolgt oft allpolig mit 2-poligen Schaltern. Die nachfolgende Darstellung zeigt vereinfacht ein Ersatzschaltbild einer DC-Verteilung mit 8365-T Schutzschaltern und einer Kammschienenverteilung.
Das EIN-Schalten solcher Geräte ist mit dem Laden der Kondensatoren durch „inrush currents“ verbunden.

1.2 Was ist beim begrenzten "inrush current" zu beachten?
Das zu schützende Gerät verfügt über eine „Einschaltstrombegrenzung“ oder ein „Soft-Start-Modul“ nach ETSI 300 132-3. Um eine Auslösung des Schutzorgans zu vermeiden, wird der Strom bzgl. Dauer und Amplitude begrenzt.
Klassifiziert wird der „inrush current“ gemäß der Dauer T50. Hierbei handelt es sich um die Zeit zwischen dem Erreichen des halben Scheitelwerts in der anteigenden und der abfallenden Stromflanke.
Der Energiegehalt des Impulses wird in folgendem I2t-Wert angegeben:

1.3 Welchen Schalter für den Überstromschutz
Häufig werden Schaltnetzteile, wie DC/DC-Wandler, mit kapazitivem Zwischenkreisspeicher über Schutzschalter mit Trennfunktion betriebsmäßig geschaltet und geschützt. Überlastschutz und Kurzschlussschutz sollten seitens des Anwenders vorgesehen werden. Es muss daher gelten, dass das thermische Grenzlastintegral der Auslösekurve größer ist I2ttrip, als das thermische Grenzlastintegral des Stromimpulses I2tCharge.
I2tCharge < I2ttrip
Im vorliegenden Beispiel wird überprüft, ob ein DC/DC-Wandler mit einem thermisches Grenzlastintegral von 0,1 A2s und einem Nennstrom von 1 A zugeschaltet werden kann. Im Strombereich kleiner 300 ms kann ausgehend von der Kennlinie folgende Berechnung angestellt werden:
I2tCharge = 0,1 A2s < 0,18 A2s = (3 A)2 * 0,02 ms = I2ttrip
Ein 3 A 8365-T mit einer impulsverzögerten flinken Kennlinie G1 ist für die Applikation bestens geeignet.
1.4 Welchen Schalter für Überlast und Kurzschlussschutz?
Wenn neben dem Überlastschutz auch ein Kurzschlussschutz erforderlich ist, muss ein passendes Schaltgerät ausgewählt werden. Oft wird in solchen Applikationen eine recht träge Kennlinie ausgewählt, um das kapazitive Zuschalten ohne Auslösung sicherzustellen. Dies erfolgt auf Kosten der Selektivität und des Gerätschutzes. Aus diesem Grund bietet die E-T-A Schaltgerät an, welche explizit für solche Applikationen entwickelt wurde. Die Warengruppe 8345-F und 8365-T bietet Impulsverzögerte, temperaturunabhängige Kennlinien an. Diese unterdrücken eine Auslösung bei hohen Impulsladeströmen und gewährleisten trotzdem angepasste flinke Auslösekennlinien zum Schutz der Geräte.
1.5 Unsere Lösung für jede Anwendung
Nehmen Sie Kontakt mit uns auf! Als technischer Partner beraten wir Sie bzgl. der Auswahl robuster E-T-A-Geräteschutzschalter für das betriebsmäßige Schalten und Absichern Ihrer Geräte.
